LXW系列拉线位移传感器
    LXW 系列拉线盒 拉绳盒
      JWY角度传感器 角位移传感器
        XHCJXT多通道信号采集系统
          YDKZXT远地信号监测系统
            激光位移传感器
              LXW 水下传感器

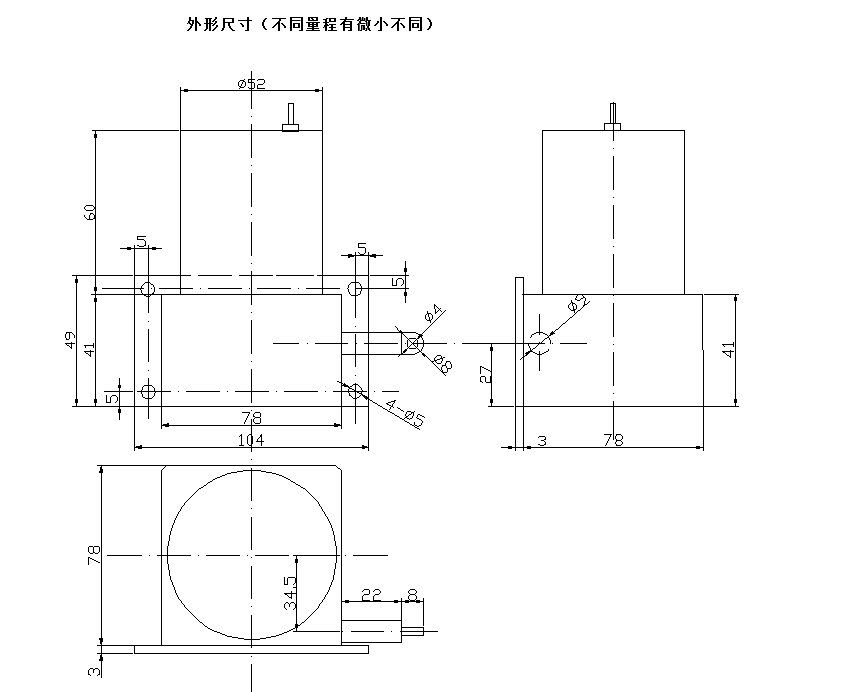
                LXW-530系列

                LXW-530系列

                LXW-530系列

                有效测量范围0-2000mm;模拟量、数字量多种信号输出;通过多家国家级计量检测部门检验、检测;符合欧盟电器产品CE认证标准;具有体积小,测量精度高,温度误差小,寿命长等特点;国家发明专利产品;应用领域涉及航天航空、科技研发、交通运输、道路桥梁、工业控制等多领域。







                下载文件: